Leon Mk1
| Lock carrier plate and mobile elements: removing and fitting |

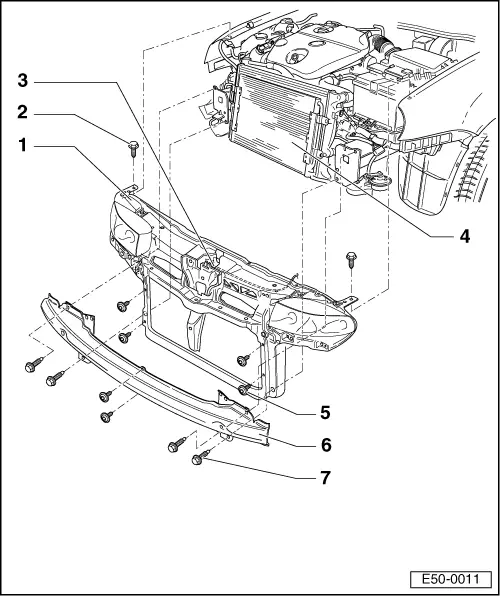
| 1 - | Lock carrier with moving components |
| q | Removing |
| – | Remove the lower engine noise insulation → Item. |
| – | Unhook the Bowden cable → Item from the lock and disconnect the electric connectors. |
| – | Remove the right and left headlamps → Headlamps: removing and fitting; Rep. Gr.94. |
| – | Remove the front bumper and its reinforcement → Chapter. |
| – | Separate the intercooler hoses (according to versions) |
| – | Separate the T shaped distributor from the lamp washer flexible tube. |
| – | Remove the screws which secure the radiator and condenser assembly to the lock carrier plate → Chapter |
| – | Attach the radiator and the condensor to the engine compartment → Air conditioning and heating: engine compartment; Rep. Gr.87. |
Note| Do not hang the condenser from the hoses, and do not fold hoses. |
| q | Installation: |
| – | Centre the lock carrier plate along the beams between the wings. |
| q | Tolerances → Dimensions; Rep. Gr.00. |
| – | Re-adjust headlights. |
| 2 - | Bolt |
| q | Four units |
| q | Tightening torque: 8 Nm |
| 3 - | Bowden Cable |
| 4 - | Radiator and condenser |
| 5 - | Bolt |
| q | Four units |
| q | Tightening torque: 8 Nm |
| 6 - | Bumper support |
| 7 - | Bolt |
| q | Four units |
| q | Tightening torque: 50 Nm |
