Leon Mk2
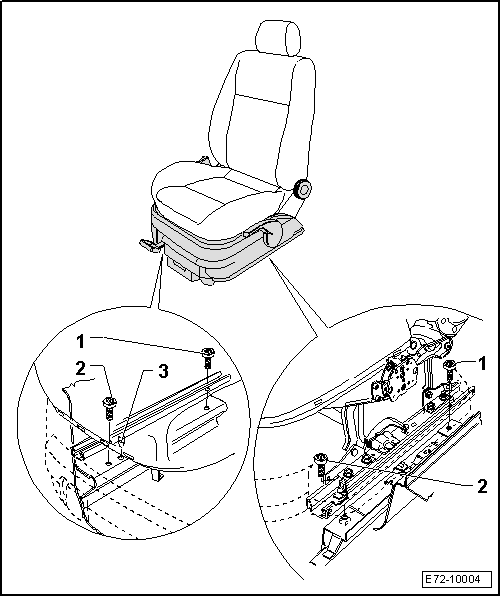
| Front seat, fitting |

| Installation is carried out in reverse order. Note the following: |
Note| t | On assembling, make sure the centring bolt is correctly positioned -3-, located in the guide on the tunnel side |
| t | On reconnecting battery, remember to activate vehicle equipment (radio/radio navigation system, clock, electric window lifters) in line with → Instruction Manual. |
| t | If, after assembly, the airbag warning light -K75- lights up, the event memory must be erased using the central diagnosis -VAS 505X-. After erasing the memory, consult the event memory again . |
|
