subaru Workshop Repair Guides

Subaru Workshop Service and Repair Manuals

Exploded Views|Page 4267 > < Exploded Views|Page 4265
Page 1
background image

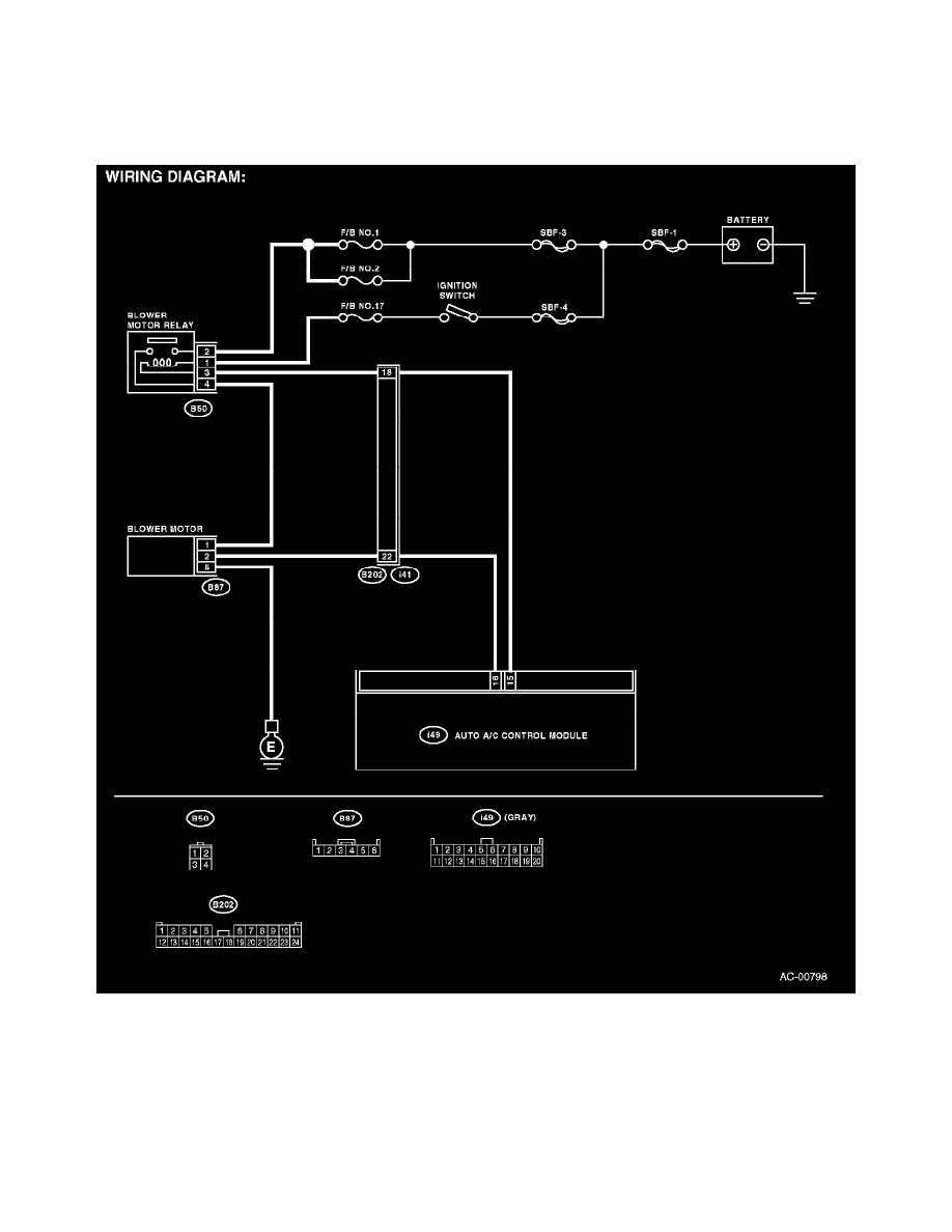
Blower Motor: Testing and Inspection

BLOWER MOTOR IS NOT ROTATED

TROUBLE SYMPTOM:

-

Blower motor is not rotated.

-

Blower motor is not shifted.

Wiring Diagram

WIRING DIAGRAM:

Exploded Views|Page 4267 > < Exploded Views|Page 4265