Justy Wagon 4WD L3-1.2L SOHC (MPFI) (1992)
/Page-791001.png)
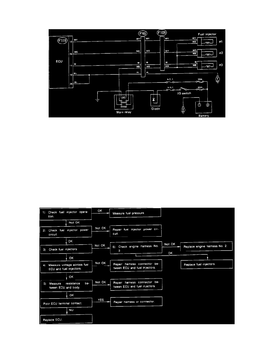
Fuel Injector: Testing and Inspection
Negative Circuit
Fuel Injector Circuit
The following procedure should be used to check for a "NO POWER TO INJECTOR" condition. Refer to the schematic diagram and test the
circuit with the diagnostic chart.
Wire color code identification:
L: Blue
B: Black
Y: Yellow
G: Green
R: Red
W: White
Br: Brown
Lg: Light green
Gr: Gray
Fuel Injector Circuit Diagnostic Chart