Subaru Workshop Service and Repair Manuals
HOME
FEATURES
MENU
INDEX
ABOUT US
Diagram Information and Instructions|Page 2290 >
< Diagram Information and Instructions|Page 2288
L-Series Wagon 4WD F4-1781cc 1.8L SOHC (Carb) (1987)
Body and Frame
Locks / Door Locks / Diagrams / Diagram Information and Instructions
Page 2289
Page 1
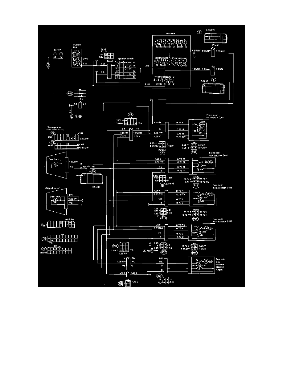
Door Locks: Electrical Diagrams
Fig. 74 Power Door Lock Wiring Circuit. Exc. XT & Justy
Body and Frame
Locks / Door Locks / Diagrams / Diagram Information and Instructions
Page 2289
Diagram Information and Instructions|Page 2290 >
< Diagram Information and Instructions|Page 2288