Subaru Workshop Service and Repair Manuals
HOME
FEATURES
MENU
INDEX
ABOUT US
Oil Pick Up/Strainer >
< Diagram Information and Instructions
Legacy Outback Limited AWD F4-2.5L DOHC (1998)
Engine, Cooling and Exhaust
Engine
Engine Lubrication
Oil Pressure Warning Lamp/Indicator / Diagrams / Diagram Information and Instructions
Page 1319
Page 1
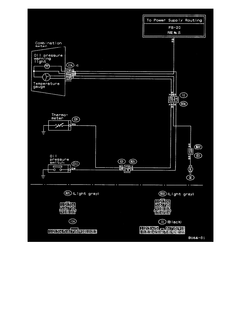
Oil Pressure And Temperature Gauge System Circuit
Engine, Cooling and Exhaust
Engine
Engine Lubrication
Oil Pressure Warning Lamp/Indicator / Diagrams / Diagram Information and Instructions
Page 1319
Oil Pick Up/Strainer >
< Diagram Information and Instructions