subaru Workshop Repair Guides

Subaru Legacy Outback Limited AWD Auto Repair Manuals | Workshop Service

Diagram Information and Instructions|Page 5588 > < Diagram Information and Instructions
Page 1
background image

Dimmer Switch: Electrical Diagrams

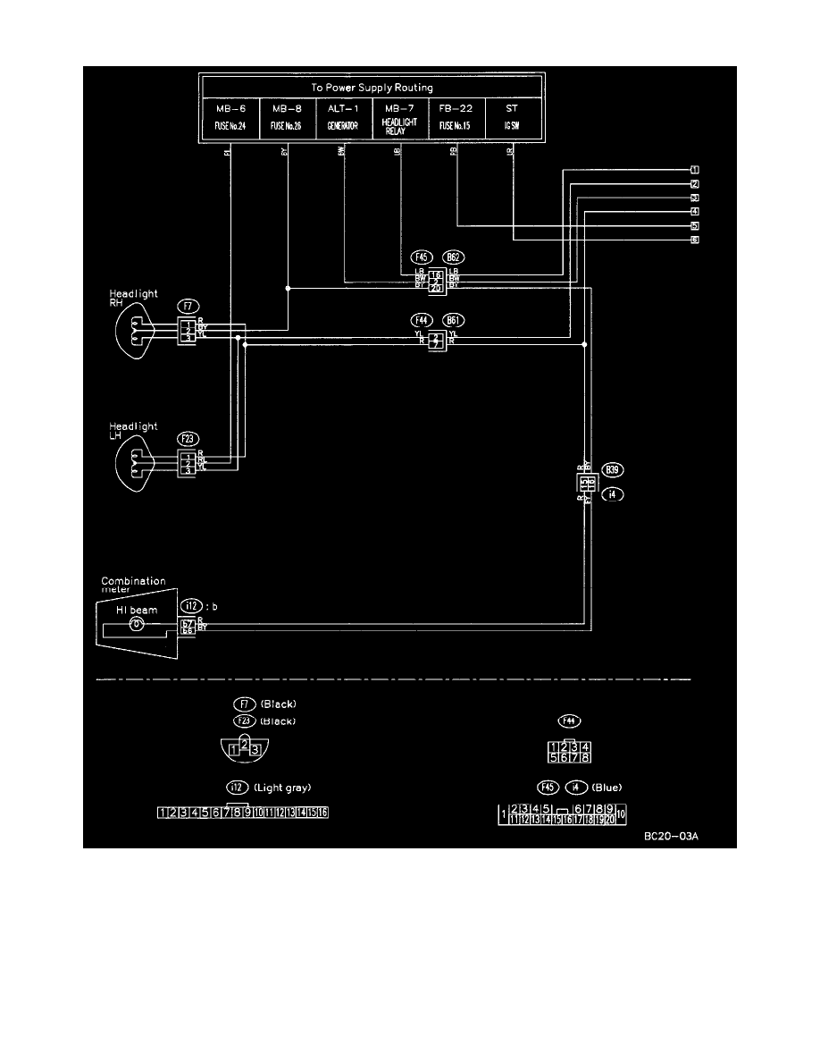
Lighting System (Headlight) (With DRL (LHD) Model) Circuit 1

Diagram Information and Instructions|Page 5588 > < Diagram Information and Instructions