subaru Workshop Repair Guides

Subaru Workshop Service and Repair Manuals

Diagram Information and Instructions|Page 5613 > < Diagram Information and Instructions
Page 1
background image

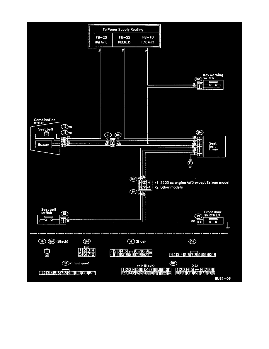
Key Reminder Switch: Electrical Diagrams

Seat Belt Warning And Key Warning System (LHD Model) Circuit

Diagram Information and Instructions|Page 5613 > < Diagram Information and Instructions