Subaru Workshop Service and Repair Manuals
HOME
FEATURES
MENU
INDEX
ABOUT US
Diagram Information and Instructions|Page 5783 >
< Diagram Information and Instructions
Legacy Outback Limited AWD F4-2.5L DOHC (1998)
Lighting and Horns
Sensors and Switches - Lighting and Horns
Headlamp Switch / Diagrams / Diagram Information and Instructions
Page 5782
Page 1
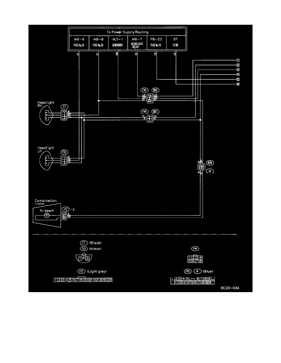
Headlamp Switch: Electrical Diagrams
Lighting System (Headlight) (With DRL (LHD) Model) Circuit 1
Lighting and Horns
Sensors and Switches - Lighting and Horns
Headlamp Switch / Diagrams / Diagram Information and Instructions
Page 5782
Diagram Information and Instructions|Page 5783 >
< Diagram Information and Instructions