subaru Workshop Repair Guides

Subaru Workshop Service and Repair Manuals

Diagram Information and Instructions|Page 5073 > < Diagram Information and Instructions
Page 1
background image

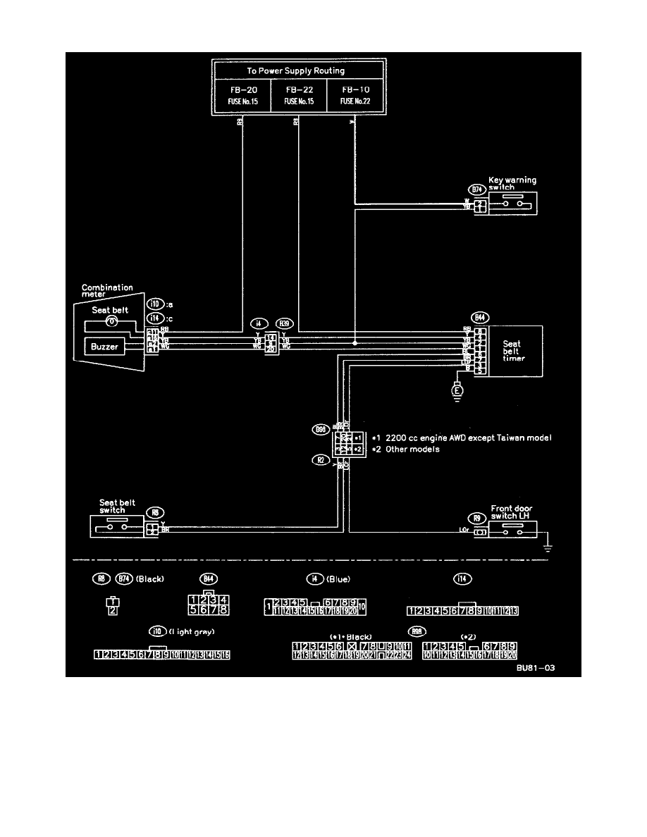
Seat Belt Reminder Buzzer: Electrical Diagrams

Seat Belt Warning And Key Warning System (LHD Model) Circuit

Diagram Information and Instructions|Page 5073 > < Diagram Information and Instructions