subaru Workshop Repair Guides

Subaru Workshop Service and Repair Manuals

Diagram Information and Instructions|Page 4308 > < Diagram Information and Instructions
Page 1
background image

Auxiliary Power Outlet: Electrical Diagrams

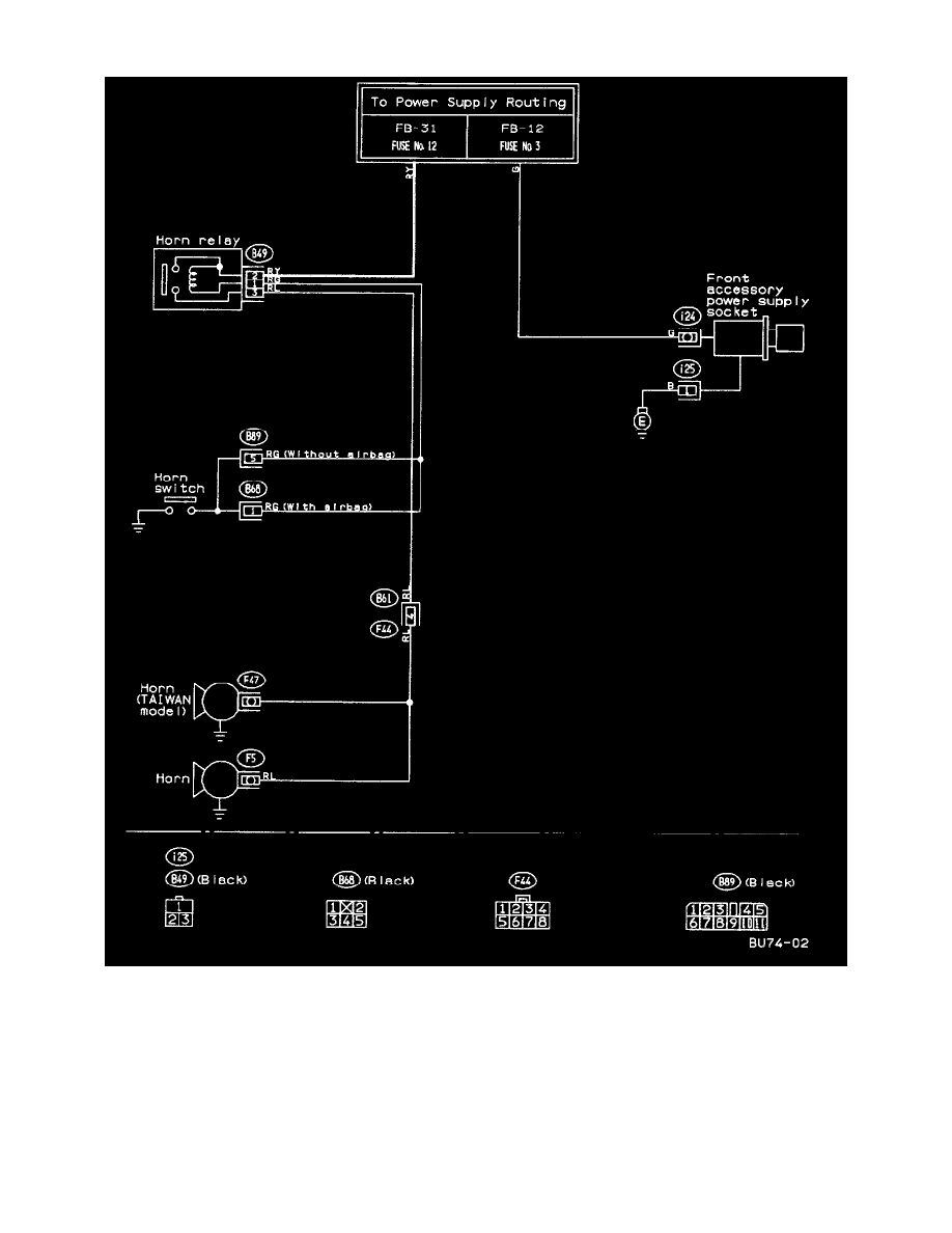
Horn And Front Accessory Power Supply System (LHD Model) Circuit

Diagram Information and Instructions|Page 4308 > < Diagram Information and Instructions