Subaru Workshop Service and Repair Manuals
HOME
FEATURES
MENU
INDEX
ABOUT US
Evaporator Core|Service and Repair >
< Evaporator Core|Specifications
Legacy Sedan 2WD F4-2.2L SOHC (1990)
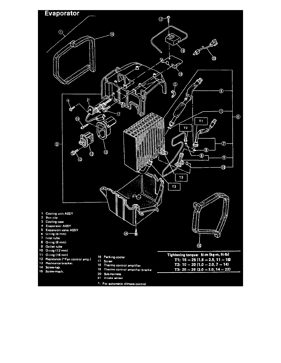
Heating and Air Conditioning
Evaporator Core / Specifications
Page 4679
Page 1
Heating and Air Conditioning
Evaporator Core / Specifications
Page 4679
Evaporator Core|Service and Repair >
< Evaporator Core|Specifications