Subaru Workshop Service and Repair Manuals
HOME
FEATURES
MENU
INDEX
ABOUT US
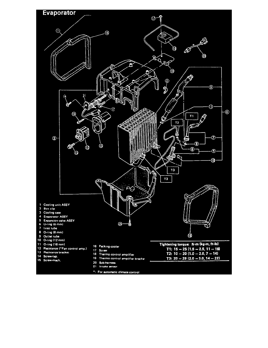
Expansion Valve|Specifications|Page 4694 >
< Evaporator Temperature Sensor / Switch|Locations|Page 4690
Legacy Sedan 2WD F4-2.2L SOHC (1990)
Heating and Air Conditioning
Expansion Valve
Component Information
Specifications
Page 1
Heating and Air Conditioning
Expansion Valve
Component Information
Specifications
Expansion Valve|Specifications|Page 4694 >
< Evaporator Temperature Sensor / Switch|Locations|Page 4690