Kizashi AWD L4-2.4L (2010)
Brake Lamp: Electrical Diagrams
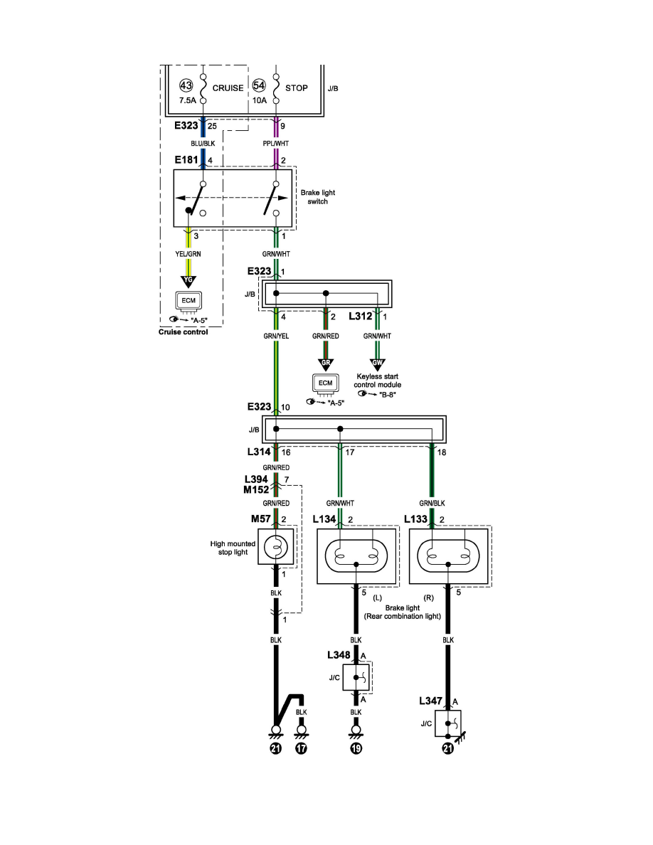
Brake Light System Circuit Diagram
Brake Light System Circuit Diagram
Connector/Component Locations: The locations of connectors and components referred to within these diagrams can be found via the connector
number at Vehicle Connector Locations. See: Locations/Connector Locations
