Suzuki Workshop Service and Repair Manuals
HOME
FEATURES
MENU
INDEX
ABOUT US
Diagram Information and Instructions|Page 2067 >
< Diagram Information and Instructions|Page 2065
Sidekick JSS 4D Hard Top 2WD L4-1.8L (1997)
Power and Ground Distribution
System Information
Diagrams / Diagram Information and Instructions
Page 2066
Page 1
Power and Ground Distribution: Electrical Diagrams
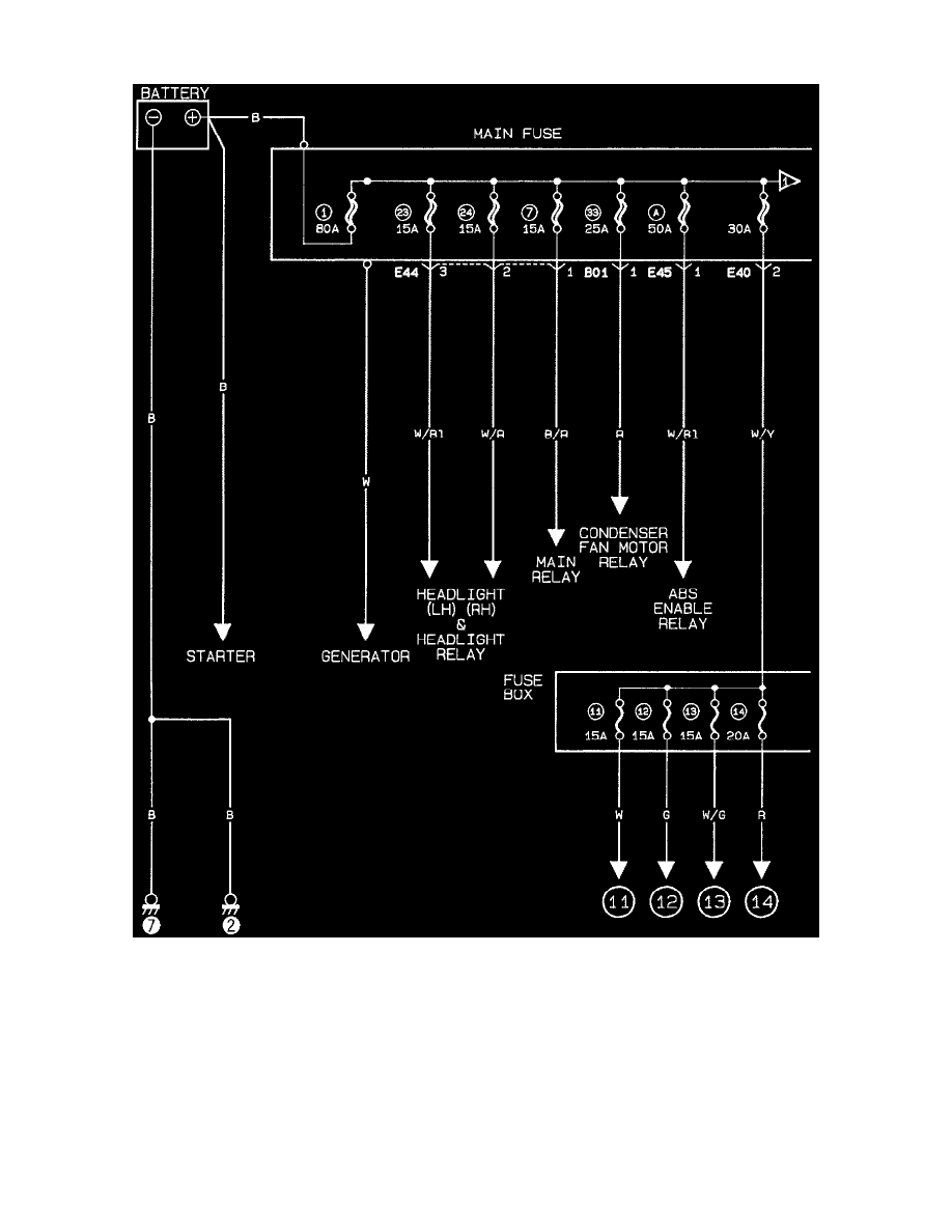
Power Supply Diagram (Part 1 Of 2)
Power and Ground Distribution
System Information
Diagrams / Diagram Information and Instructions
Page 2066
Diagram Information and Instructions|Page 2067 >
< Diagram Information and Instructions|Page 2065