GLI L4-2.0L Turbo (BPY) (2008)
Front Door Window Glass Weatherstrip: Service and Repair
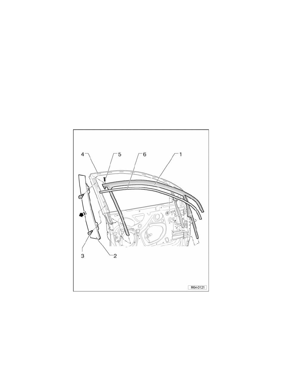
Front Door Window Guide
Front Door Window Guide
NOTE:
-
Removing and installing is described only for the right window guide. Removing and installing the left window guide is derived accordingly from
this.
-
For reasons of clarity, outer door panel is not depicted in the removal and installation.
Removing
-
Removing front door trim:
-
Remove rearview mirror.
-
Remove door window.
Vehicles with window guide trim molding
-
Remove the window guide trim molding - 6 -.
All vehicles
-
Pull window guide - 1 - out of mount.
-
Remove bolts - 3 - (two pieces) and pull off panel - 2 - in direction of B-pillar - direction of arrow -.
-
Pull window guide - 1 - all around from window frame - 4 - and upward out of window shaft.
