Golf Mk4
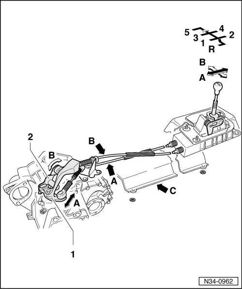
| Installation position of selector mechanism |

| A - | Gear selector cable |
| B - | Gate selector cable |
| C - | Heat shield |
| q | Remove before removing gear selector mechanism |
| Arrow -A- gear selection movement |
| Arrow -B- gate selection movement |
| 1 - | Gearbox selector lever |
| 2 - | Relay lever |

| I - | Removing and installing gear knob and cover → Chapter |
| II - | Repairing gear lever and selector housing → Chapter |
| III - | Assembly overview - removing and installing selector cables → Chapter |
| Removing and installing selector mechanism → Chapter |
| Adjust selector mechanism → Chapter. |
Note| t | Before working on the selector mechanism, disconnect earth strap from the battery in the engine compartment. |
| t | Note radio code for vehicles with coded radio. |
|
|
|
|
|
