Golf Mk4
Note
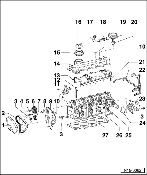
|

| 1 - | Toothed belt guard - upper part |
| 2 - | Toothed belt |
| q | Mark direction of rotation before removing. |
| q | Check for wear. |
| q | Do not kink. |
| q | Removing, installing and tensioning → Chapter. |
| 3 - | 20 Nm |
| 4 - | 20 Nm |
| 5 - | 45 Nm |
| 6 - | Camshaft pulley |
| q | Pull off using two arm puller -T40001- |
| 7 - | Tensioning roller |
| q | Checking semi-automatic toothed belt tensioner → Chapter |
| 8 - | Idler roller |
| 9 - | Rear toothed belt guard |
| 10 - | 10 Nm |
| 11 - | Lifting eye |
| 12 - | Cylinder head bolt |
| q | Renew. |
| q | Note sequence when loosening and tightening → Chapter, Removing and installing cylinder head. |
| 13 - | Oil deflector |
| 14 - | Cylinder head cover |
| q | With vulcanised seal |
| 15 - | Seal |
| q | Renew if damaged. |
| 16 - | Cap |
| q | Renew seal if damaged. |
| 17 - | Breather pipe |
| 18 - | Retaining clip |
| 19 - | Pressure regulating valve |
| q | For crankcase ventilation. |
| 20 - | Gasket |
| q | Renew if damaged. |
| 21 - | 5 Nm |
| q | Only engine codes AGR, AHF, ALH, ASV |
| 22 - | Injector lines |
| q | Tighten to 25 Nm. |
| q | Remove using 3035 |
| q | Always remove pipework complete |
| q | Do not alter bends |
| 23 - | Vacuum pump |
| q | For brake servo |
| 24 - | Gasket |
| q | Renew |
| 25 - | Injector |
| q | Removing and installing → Rep. Gr.23. |
| 26 - | Glow plug |
| q | 15 Nm |
| q | Checking → Rep. Gr.28. |
| 27 - | Cylinder head gasket |
| q | Renew |
| q | Note marking → Fig. |
| q | After renewing, renew entire coolant. |
Note
|
|

Note