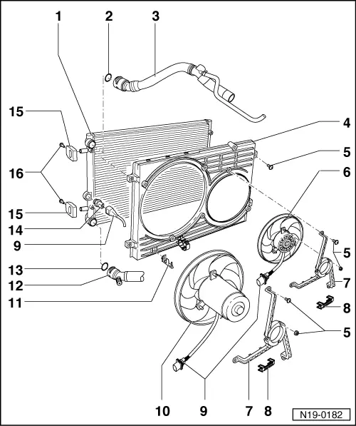
Golf Mk4
| Parts of cooling system - body side |

| 1 - | Radiator |
| q | Removing and installing → Chapter. |
| q | After renewing, renew entire coolant. |
| 2 - | O-ring |
| q | Renew if damaged. |
| 3 - | Upper coolant hose |
| q | Secured to radiator with retaining clip. |
| q | Check for secure seating. |
| q | Coolant hose schematic diagram → Chapter. |
| 4 - | Air ducting |
| 5 - | 10 Nm |
| 6 - | Additional fan |
| q | Only vehicles with optional equipment. |
| 7 - | Fan ring |
| 8 - | Securing clip |
| q | Check for secure seating. |
| 9 - | Connector |
| 10 - | Radiator fan |
| 11 - | Bracket |
| q | For radiator fan connector. |
| 12 - | Lower coolant hose |
| q | Secured to radiator with retaining clip. |
| q | Coolant hose schematic diagram → Chapter. |
| 13 - | O-ring |
| q | Renew. |
| 14 - | Radiator fan thermal switch -F18-, 35 Nm |
| q | For electric fan. |
| q | Switching temperatures: Stage 1 on: 92...97° C off: 84...91° C Stage 2 on: 99...105° off: 91...98° C. |
| 15 - | Bracket |
| q | For radiator. |
| q | Note installation position. |
| 16 - | 15 Nm |
