Volkswagen Workshop Service and Repair Manuals
HOME
FEATURES
MENU
INDEX
ABOUT US
Checking gear oil >
< Specified torques
Golf Mk5
Power transmission
5-speed manual gearbox 0AF
Gearbox mechanics,operation, construction,diff.
Transporting gearbox
Transporting gearbox
Transporting gearbox
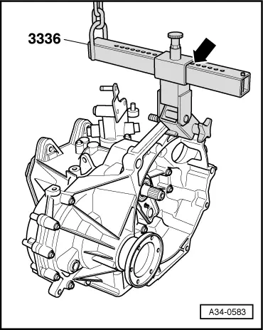
Special tools and workshop equipment required
t
Gearbox mounting support -3336-
–
Bolt gearbox lifting tackle -3336- to clutch housing.
–
Adjust support beam on sliding piece using locking pin
-arrow-
.
No. of holes visible = 6
–
Lift gearbox using workshop crane and gearbox lifting tackle -3336-.
–
Set gearbox aside, for example in a transport container.
Power transmission
5-speed manual gearbox 0AF
Gearbox mechanics,operation, construction,diff.
Transporting gearbox
Checking gear oil >
< Specified torques