Golf Mk5
Note
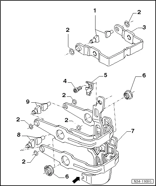
|
|

| 1 - | 5th/6th gear selector segment |
| q | Identification → Fig. |
| q | After lock washer is installed, selector segment must still rotate freely. |
| 2 - | Lock washer |
| q | Always renew |
| q | Removing → Fig. |
| q | Installing → Fig. |
| 3 - | 5th/6th gear selector fork |
| 4 - | Bolt, 25 Nm |
| 5 - | Selector jaw for 5th and 6th gears |
| 6 - | Angular contact ball bearing |
| q | Qty. 4 |
| q | Removing → Fig. |
| q | Press inner race into outer race → Fig. |
| q | Installing → Fig. |
| 7 - | Selector fork group with selector plate |
| q | With selector rod for reverse gear selector mechanism -arrow- |
| 8 - | 1st/2nd gear selector segment |
| q | Identification → Fig. |
| q | After lock washer is installed, segment must still rotate freely |
| 9 - | 3rd/4th gear selector segment |
| q | Identification → Fig. |
| q | After lock washer is installed, segment must still rotate freely |

Note