Golf L4-1.8L Turbo (AWW) (2003)
Impact Sensor: Service and Repair
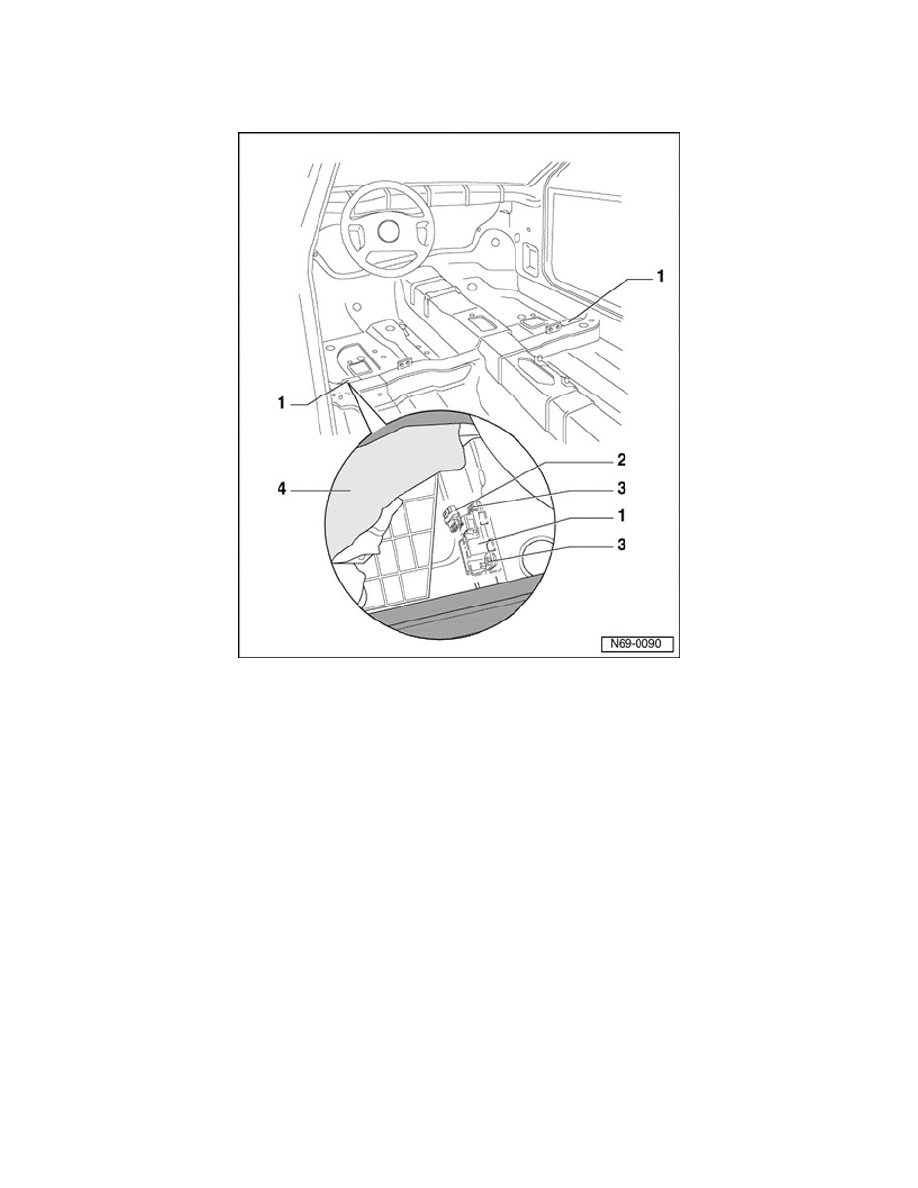
Crash Sensor For Driver-Side And Passenger Side - Side Airbag, Assembly Overview
Crash Sensor For Driver-side And Passenger Side - Side Airbag, Assembly Overview
1
-
Driver-side and passenger-side sensor
2
-
Connector
3
-
Bolt
-
Qty. 2, 6 Nm
4
-
Carpet
