Volkswagen Workshop Service and Repair Manuals
HOME
FEATURES
MENU
INDEX
ABOUT US
Receiver Dryer >
< Hose/Line HVAC|Specifications
Golf L4-1588cc 1.6L DSL SOHC (1987)
Heating and Air Conditioning
Housing Assembly HVAC
Component Information
Diagrams
Page 1
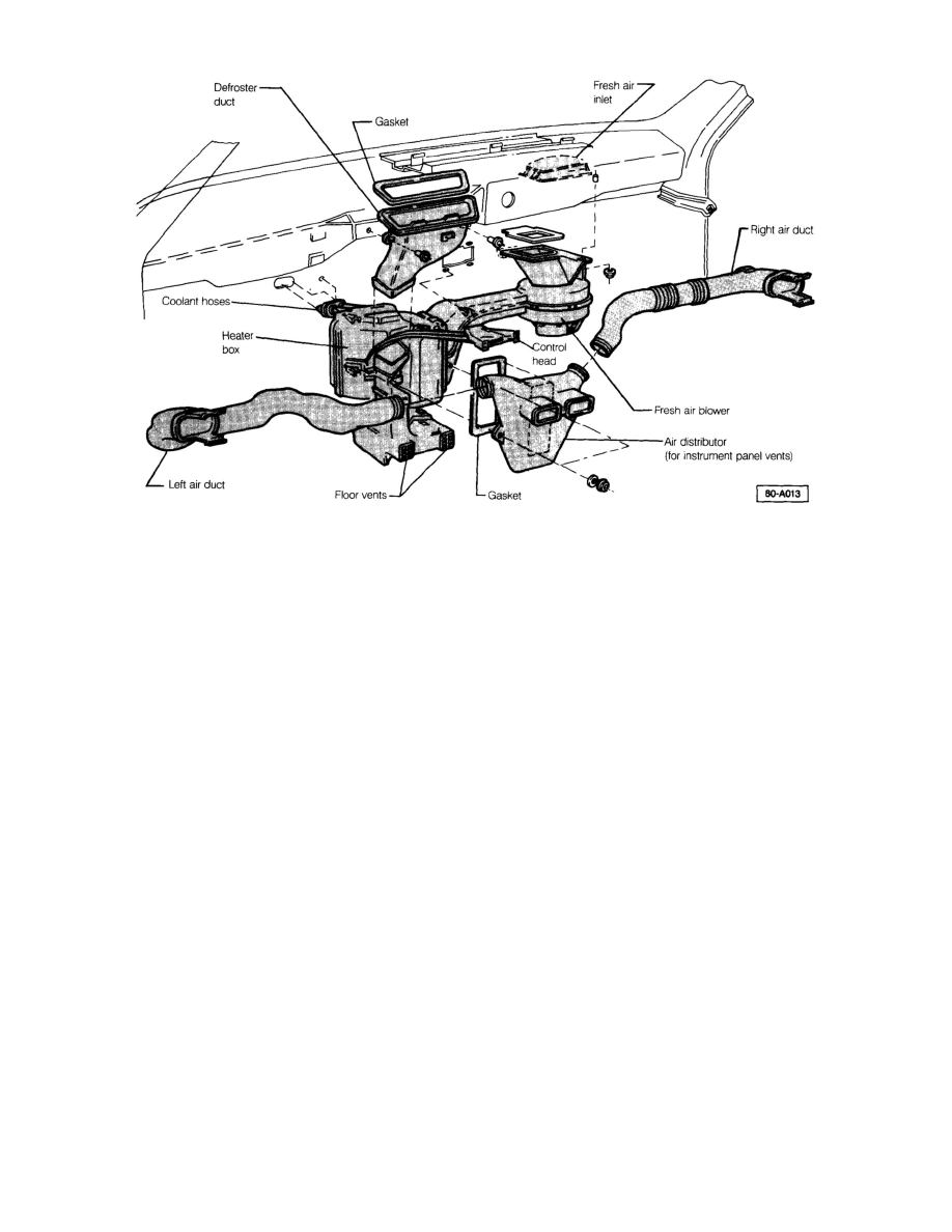
Housing Assembly HVAC: Diagrams
Heating and Air Conditioning
Housing Assembly HVAC
Component Information
Diagrams
Receiver Dryer >
< Hose/Line HVAC|Specifications