GTI L4-2.0L Turbo (BPY) (2007)
Stabilizer Bar: Procedures
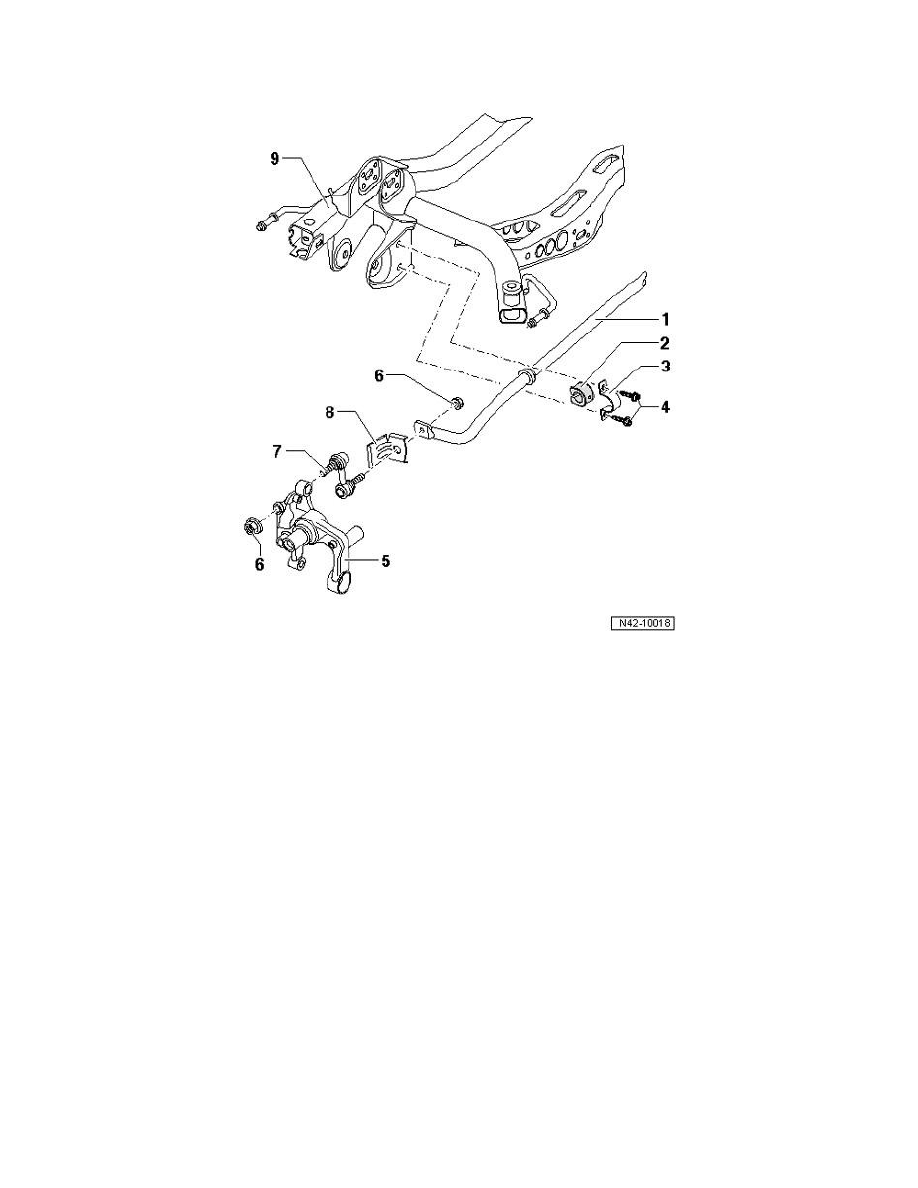
Stabilizer bar (Rabbit/GTI), assembly overview
1 -
Stabilizer bar
^
Be aware of various suspension versions.
2 -
Bushing
^
Always replace mounts on both sides of vehicle
3 -
Clamp
4 -
Bolt
^
25 Nm plus an additional 45° turn
^
Tighten uniformly
^
Always replace after removal
^
Always tighten threaded connections in curb weight position:
5 -
Wheel bearing housing
6 -
Nut
^
45 Nm
^
Self-locking
^
Always replace after removal
7 -
Coupling rod
^
Coupling rod changed in model year 2004
During start of production, coupling rods with two ball joints were revised to coupling rods with one ball joint and a bonded rubber bushing.
The side with the bonded rubber bushing is attached to the stabilizer bar.
A mixed installation is not permitted
^
Connects stabilizer bar with longitudinal control arm/wheel bearing housing
8 -
Cover
9 -
Subframe
