GTI L4-2.0L Turbo (BPY) (2007)
Trailing Arm: Procedures
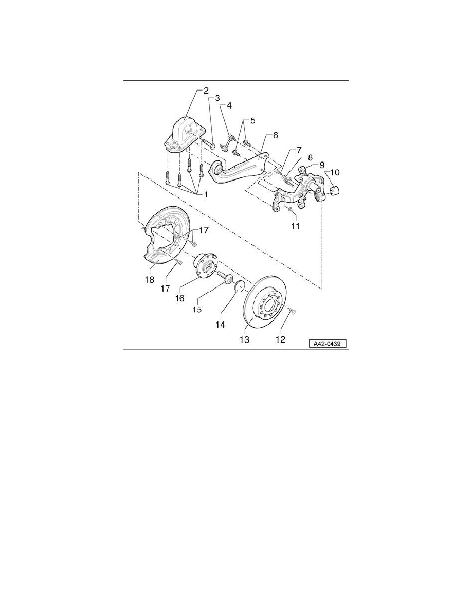
Wheel Bearing Housing, Trailing Arm (Rabbit/GTI), Assembly Overview
Wheel bearing housing, trailing arm (Rabbit/GTI), assembly overview
1 -
Bolt
^
50 Nm plus an additional 45° turn
^
Always replace after removal
2 -
Mounting bracket
3 -
Bolt
^
M12 x 1.5 x 80
^
90 Nm plus an additional 90° turn
^
Always replace after removal
4 -
Coupling rod
^
Coupling rod changed in model year 2004
During start of production, coupling rods with two ball joints were revised to coupling rods with one ball joint and a bonded rubber bushing.
The side with bonded rubber bushing is attached to stabilizer bar.
A mixed installation is not permitted
^
Connects stabilizer bar with longitudinal control arm/wheel bearing housing
5 -
Bolt
^
90 Nm plus an additional 90° turn
^
Observe tightening sequence
^
Always replace after removal
6 -
Trailing link
7 -
Bolt
^
8 Nm
8 -
Right Rear ABS Wheel Speed Sensor G44 / Left Rear ABS Wheel Speed Sensor G46
^
Can be checked in Guided Fault Finding with Vehicle Diagnosis, Testing and Information System VAS 5051
^
Before inserting sensor, clean inner surface of mounting hole and coat with Polycarbamide grease G 000 650
9 -
Wheel bearing housing
10 -
Bonded rubber bushing
