Jetta L4-1.9L DSL Turbo (BEW) (2004)
Rear Door Latch: Service and Repair
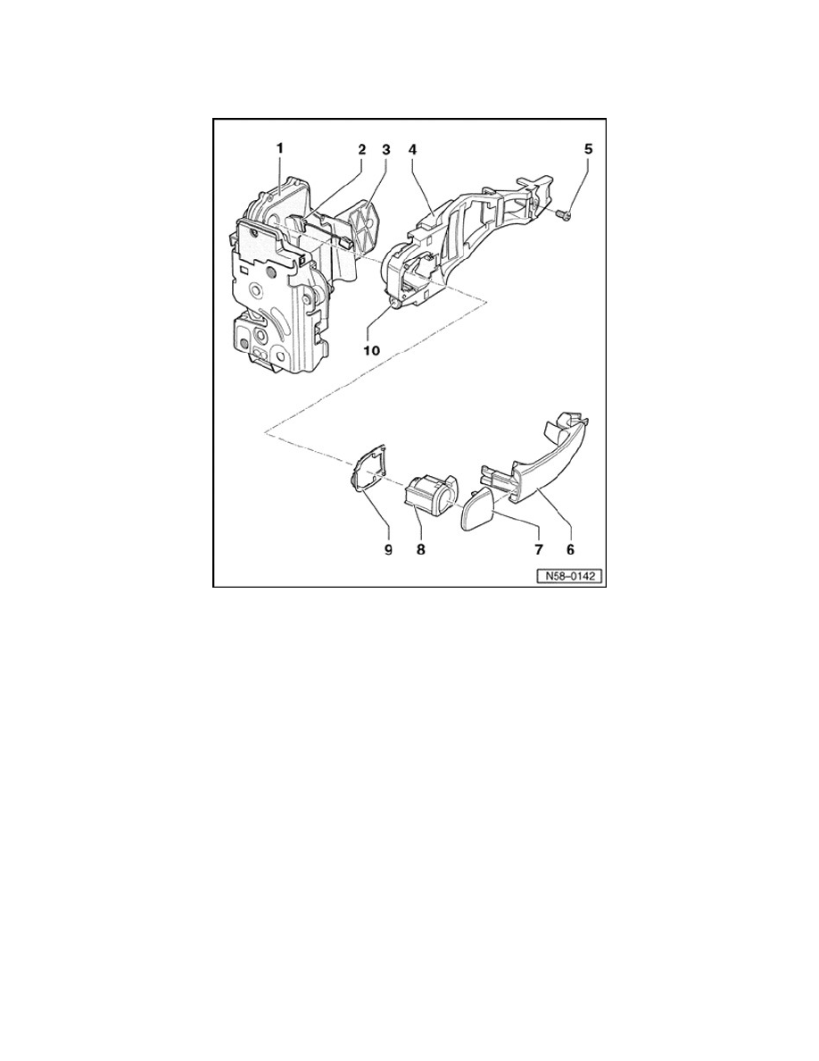
Door Handle And Door Lock, Assembly Overview
Door Handle And Door Lock, Assembly Overview
1
-
Door lock
-
Door lock can only be removed in conjunction with carrier assembly.
2
-
Cable
-
Lock release
3
-
Angle bracket
-
Bolted and riveted to door lock
-
Does not belong to door lock delivery casing
4
-
Mounting bracket
-
Removing
Door handle, lock cylinder housing and carrier assembly have been removed
- Remove bolt, slide mounting bracket slightly to rear and remove from door.
5
-
Screw
6
-
Door handle with backing plate
7
-
Cover cap
8
-
Housing
9
-
Base plate
10
-
Bolt
-
This bolt was replaced by a Torx bolt, and a new tool must be used for it
-
Socket wrench T10011
-
Socket wrench T10072
