Jetta L4-1.9L DSL Turbo (BEW) (2004)
/Page-1554001.png)
Impact Sensor: Service and Repair
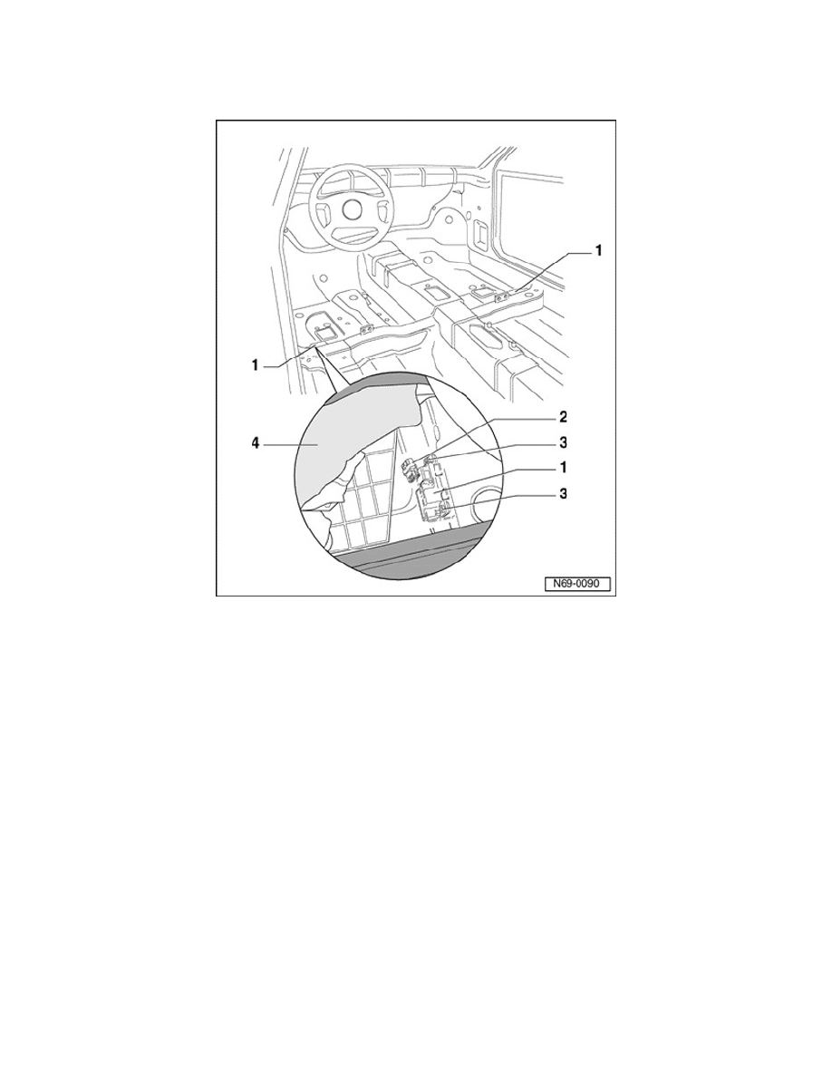
Crash Sensor For Driver-Side And Passenger Side - Side Airbag, Assembly Overview
Crash Sensor For Driver-side And Passenger Side - Side Airbag, Assembly Overview
1
-
Driver-side and passenger-side sensor
2
-
Connector
3
-
Bolt
-
Qty. 2, 6 Nm
4
-
Carpet