volkswagen Workshop Repair Guides

Volkswagen Workshop Service and Repair Manuals

Rear Bumper > < Front Bumper Cover / Fascia|Service and Repair|Page 7038
Page 1
background image

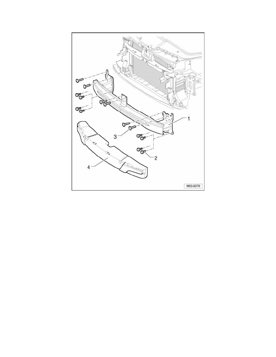
Front Bumper Reinforcement: Service and Repair

Front Bumper Carrier Assembly Overview

1

-

Bumper carrier

2

-

Screw
-

4 per side

-

60 Nm

3

-

Screw
-

Qty. 6

-

8 Nm

4

-

Foam piece
-

Self-adhesive

Rear Bumper > < Front Bumper Cover / Fascia|Service and Repair|Page 7038