volkswagen Workshop Repair Guides

Volkswagen Workshop Service and Repair Manuals

Front Door Window Guide|Page 7155 > < Inner Door Seal (Service Notes)|Page 7149
Page 1
background image

Front Door Window Glass Weatherstrip: Service and Repair
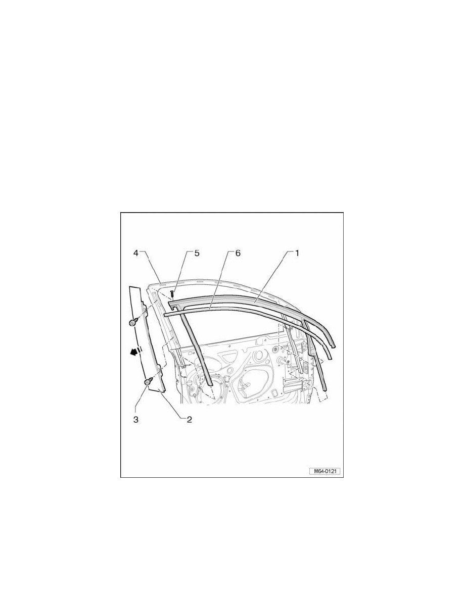
Front Door Window Guide

Front Door Window Guide

NOTE:

-

Removing and installing is described only for the right window guide. Removing and installing the left window guide is derived accordingly from
this.

-

For reasons of clarity, outer door panel is not depicted in the removal and installation.

Removing

-

Removing front door trim:

-

Remove rearview mirror.

-

Remove door window.

Vehicles with window guide trim molding

-

Remove the window guide trim molding - 6 -.

All vehicles

-

Pull window guide - 1 - out of mount.

-

Remove bolts - 3 - (two pieces) and pull off panel - 2 - in direction of B-pillar - direction of arrow -.

-

Pull window guide - 1 - all around from window frame - 4 - and upward out of window shaft.

Front Door Window Guide|Page 7155 > < Inner Door Seal (Service Notes)|Page 7149