Jetta L5-2.5L (CBTA) (2008)
Underbody Cover: Service and Repair
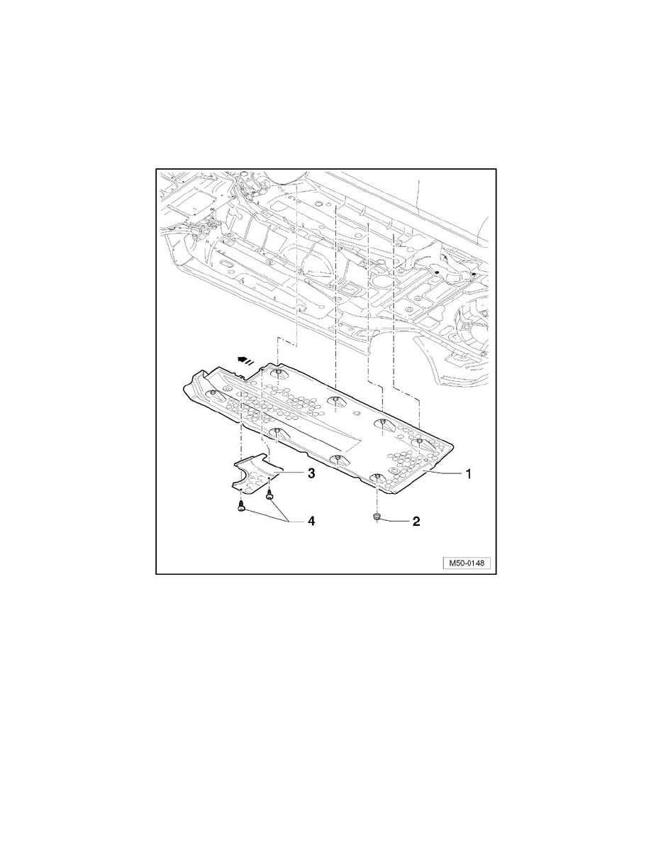
Underbody Trim Assembly Overview
Underbody Trim Assembly Overview
Special tools, testers and auxiliary items required
‹› Torque wrench (V.A.G 1783)
‹› The illustration shows the left side. The right side is similar.
1
Underbody Trim
‹› - Arrow - points toward the front of the vehicle.
‹› To remove, unscrew hex nuts - 2 -
2
Hex Nut
‹› Qty. 8
‹› 1.5 Nm
3
Cover
‹› To remove, unscrew bolts - 4 -
4
Screw
‹› Qty. 2
