Jetta L5-2.5L (CBTA) (2008)
Front Door Window Glass Weatherstrip: Service and Repair
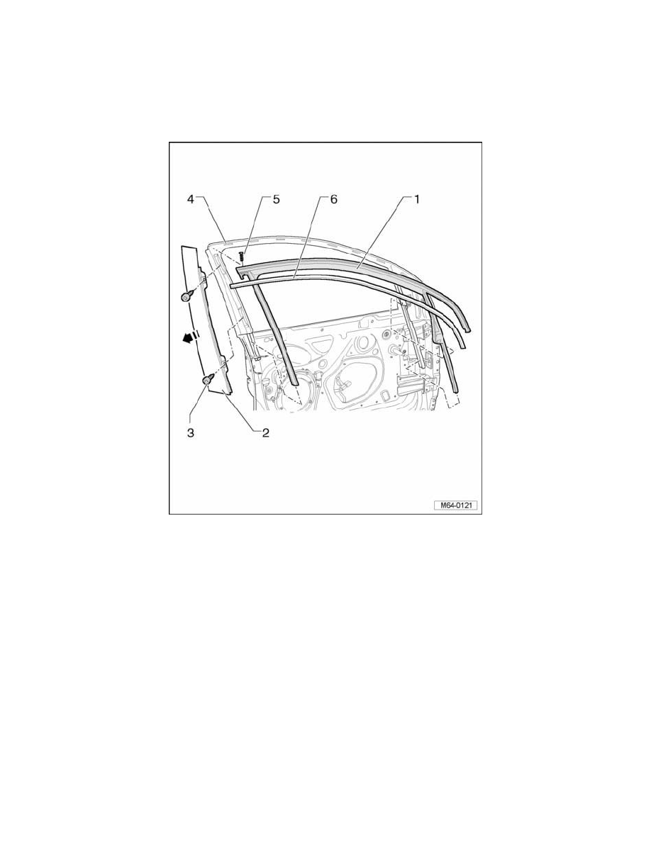
Front Door Window Guide Assembly Overview
Front Door Window Guide Assembly Overview
NOTE:
-
The description applies to the right side. The left side is derived accordingly from this.
-
For reasons of clarity, outer door panel is not depicted in the illustration.
1
-
Window guide
2
-
Trim
3
-
Screw
-
Qty. 2
-
2 Nm
4
-
Window frame at inner door part
5
-
Trim molding fastener
-
Expanding rivet or bolt
6
-
Window guide trim molding
-
Depending on equipment
