Jetta L5-2.5L (CBTA) (2008)
Brake Caliper: Service and Repair
Brake Caliper Assembly Overview
Mechanical Components
Caliper Assembly Overview
‹› After replacing the brake pads, press the brake pedal firmly several times to properly seat the brake pads in their normal operating position.
‹› Use the brake charger/bleeder unit (VAS 5234) or (VAG 1869/4) to extract brake fluid from brake fluid reservoir.
‹› Before removing the brake caliper or disconnecting the brake line, the brake pedal actuator (VAG 1869/2) must be inserted (this dissipates
pressure).
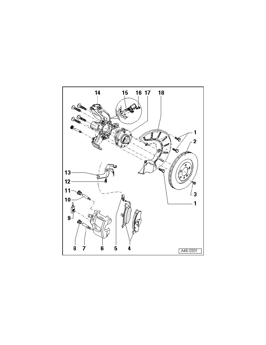
1
Hex/Torx bolt, 12 Nm
‹› M6 x 10 hex bolt, changed from M6 x 12 Torx bolt.
‹› Replace a hex bolt with a hex bolt and Torx bolt with a Torx bolt.
2
Brake disc
‹› Internally vented, 280 mm diameter.
‹› Thickness: 22 mm
‹› Wear limit: 19 mm
‹› Must always be replaced together on both sides of axle.
