Jetta L5-2.5L (CBTA) (2008)
Crankshaft: Removal and Replacement
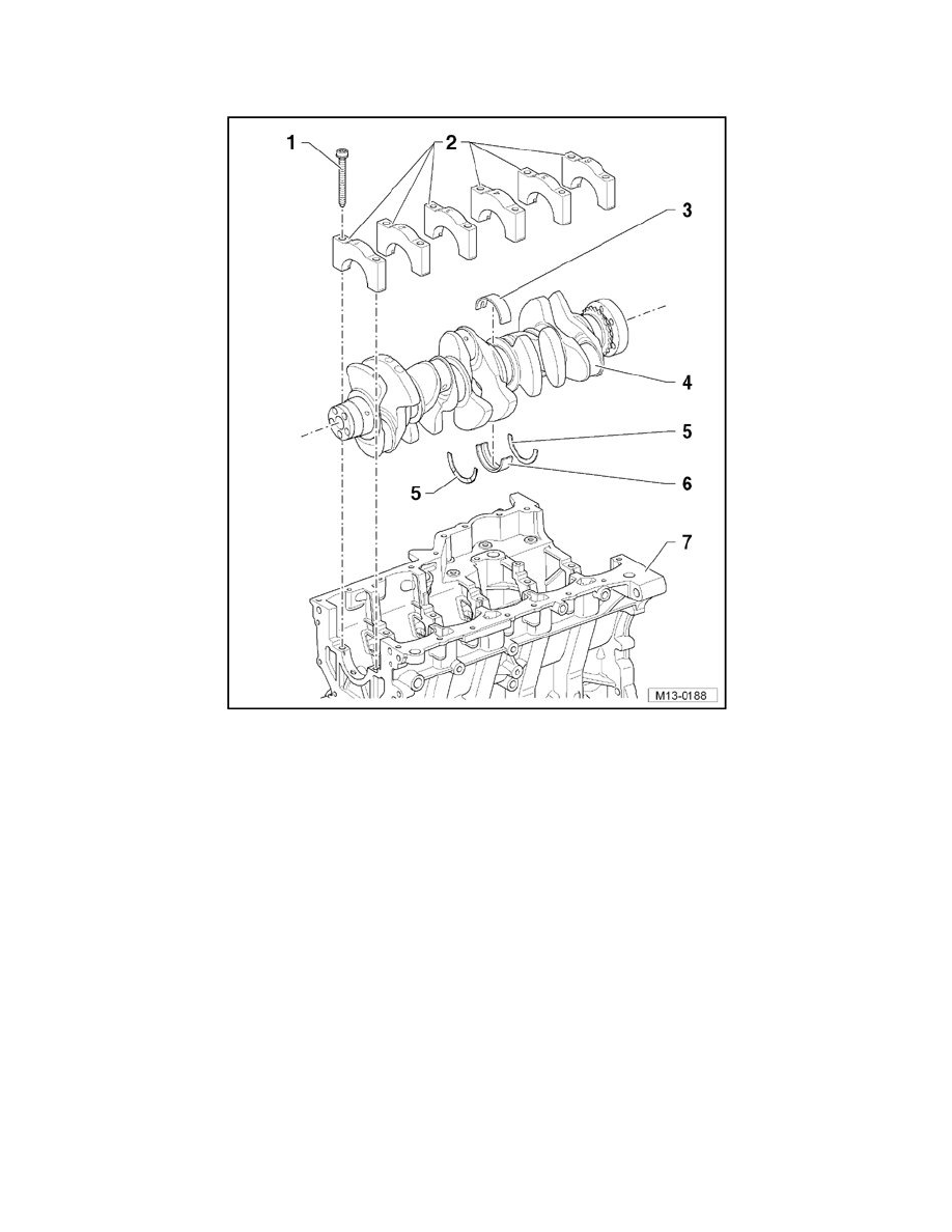
Crankshaft Assembly Overview
1
Bolt, 40 Nm + 90° (1/4 turn) additional turn
‹› Always replace.
‹› Fully threaded
‹› Tighten to 40 Nm (but not any further) when measuring radial play in the crankshaft.
2
Bearing cap
‹› Bearing cap 1: Belt pulley side.
‹› Retaining tabs of the bearing shells and cylinder block/bearing caps must lie above one another.
3
Bearing shell for bearing cap
‹› Without lubricating groove.
‹› Do not interchange used bearing shells (mark).
4
Crankshaft
‹› Axial play new: 0.07 to 0.21 mm
Wear limit: 0.30 mm
