Jetta L5-2.5L (CBTA) (2008)
20
Air distribution housing
Climatronic Heating and A/C Unit
Climatronic Heating and A/C Unit
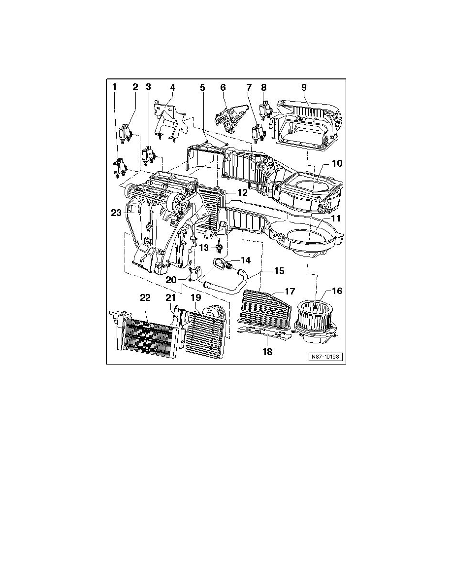
1
Central Air Door Motor (V70)
‹› Checking: Use Vehicle Diagnostic, Testing and Information System (VAS 5051/5052) in operating mode "Guided Fault Finding" --> [
Climatronic Components, Checking and Adjusting ] See: Testing and Inspection/Component Tests and General Diagnostics/Climatronic
Components, Checking and Adjusting
‹› Removing and installing --> [ Central Air ] See: Air Door/Air Door Actuator / Motor/Service and Repair/Climatronic Door Motors
‹› Replacing: Initiate Basic Setting using Vehicle Diagnostic, testing & info. system (VAS 5051/5052) --> [ Climatronic Components, Checking
and Adjusting ] See: Testing and Inspection/Component Tests and General Diagnostics/Climatronic Components, Checking and Adjusting.
2
Left Temperature Door Motor (V158)
‹› Checking: Use Vehicle Diagnostic, Testing and Information System (VAS 5051/5052) in operating mode "Guided Fault Finding" --> [
Climatronic Components, Checking and Adjusting ] See: Testing and Inspection/Component Tests and General Diagnostics/Climatronic
Components, Checking and Adjusting
‹› Removing and installing --> [ Left Temperature ] See: Air Door/Air Door Actuator / Motor/Service and Repair/Climatronic Door Motors
‹› Replacing: Initiate Basic Setting using Vehicle Diagnostic, testing & info. system (VAS 5051/5052) --> [ Climatronic Components, Checking
and Adjusting ] See: Testing and Inspection/Component Tests and General Diagnostics/Climatronic Components, Checking and Adjusting.
3
Defroster Door Motor (V107)
