volkswagen Workshop Repair Guides

Volkswagen Workshop Service and Repair Manuals

Air Filter Element|Locations|Page 1256 > < Accessory Drive Assembly Overview, Engine Codes CBTA and CBUA|Page 1250
Page 1
background image

Air Filter Element: Locations

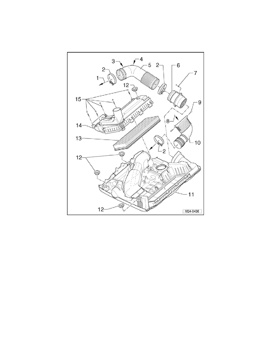
Air Filter Assembly Overview

Upper section of air filter serves simultaneously as engine cover.

Removing and installing engine cover with air filter.

1

-

To Throttle Valve Control Module J338

2

-

Spring-type clip

3

-

Connection
-

For bleeder hose to oil filter bracket

4

-

Connection
-

For intake hose of Secondary Air Injection (AIR) pump

5

-

Intake tube
-

To throttle valve control module

6

-

Mass Air Flow (MAF) Sensor G70 with Intake Air Temperature (IAT) Sensor G42

7

-

3 Nm

8

-

From air guide on lock carrier

9

-

1.5 Nm

10

-

Intake tube
-

To air filter

11

-

Upper section of air filter

12

-

Rubber bushing
-

Do not use lubricant

13

-

Filter element

14

-

Lower section of air filter
-

On engine codes CBTA, CBUA and CCCA the warm air intake is deleted

15

-

2 Nm
-

Observe tightening sequence

Air Filter Element|Locations|Page 1256 > < Accessory Drive Assembly Overview, Engine Codes CBTA and CBUA|Page 1250