Jetta L5-2.5L (CBTA) (2008)
Air Filter Element: Service and Repair
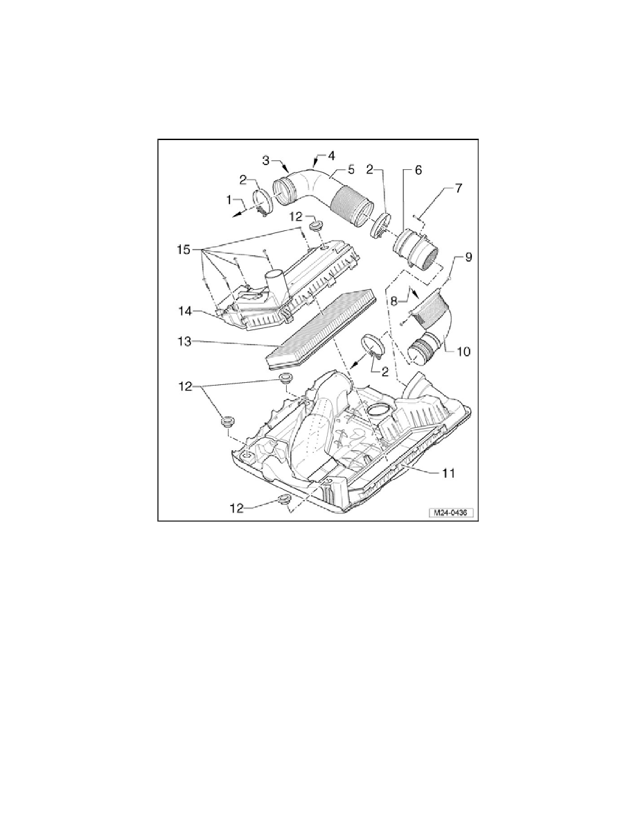
Air Filter Assembly Overview
Air Filter Assembly Overview
Upper section of air filter serves simultaneously as engine cover.
Removing and installing engine cover with air filter.
1
-
To Throttle Valve Control Module J338
2
-
Spring-type clip
3
-
Connection
-
For bleeder hose to oil filter bracket
4
-
Connection
-
For intake hose of Secondary Air Injection (AIR) pump
5
-
Intake tube
-
To throttle valve control module
6
-
Mass Air Flow (MAF) Sensor G70 with Intake Air Temperature (IAT) Sensor G42
7
-
3 Nm
8
-
From air guide on lock carrier
9
-
1.5 Nm
10
-
Intake tube
-
To air filter
11
-
Upper section of air filter
12
-
Rubber bushing
-
Do not use lubricant
13
-
Filter element
14
-
Lower section of air filter
-
On engine codes CBTA, CBUA and CCCA the warm air intake is deleted
15
-
2 Nm
-
Observe tightening sequence
