volkswagen Workshop Repair Guides

Volkswagen Workshop Service and Repair Manuals

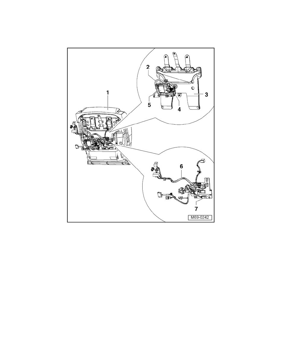
Seat Occupied Recognition System Assembly Overview|Page 6133 > < Seat Occupied Recognition System Assembly Overview
Page 2
background image

If there is a malfunction in one of the system components, it must be replaced the repair set specified by the data for the affected vehicle. This
includes:

CAUTION!
Do not disconnect the individual parts of the seat occupied recognition repair set from each other.

1

Upholstery of Front Seat Cushion

2

Pressure Hose

3

Passive Occupant Detection System Mat

4

Seat Occupied Recognition Pressure Sensor (G452)

5

Seat Occupied Recognition Control Module (J706)

6

Front Seat Wiring Harness

7

Bracket

‹› White

CAUTION!
Read the instructions on the repair set packaging so it is used correctly. Incorrect handling can cause system malfunction.

Seat Occupied Recognition System Assembly Overview|Page 6133 > < Seat Occupied Recognition System Assembly Overview