Jetta L5-2.5L (CBTA) (2008)
Discharge Air Temperature Sensor / Switch: Service and Repair
Climatronic Temperature Sensors
Left Footwell Vent
Left Footwell Vent
Removing
CAUTION:
-
Switch off all electrical consumers.
-
Switch ignition off and remove ignition key.
-
Remove instrument panel.
-
Remove screws from bracket.
-
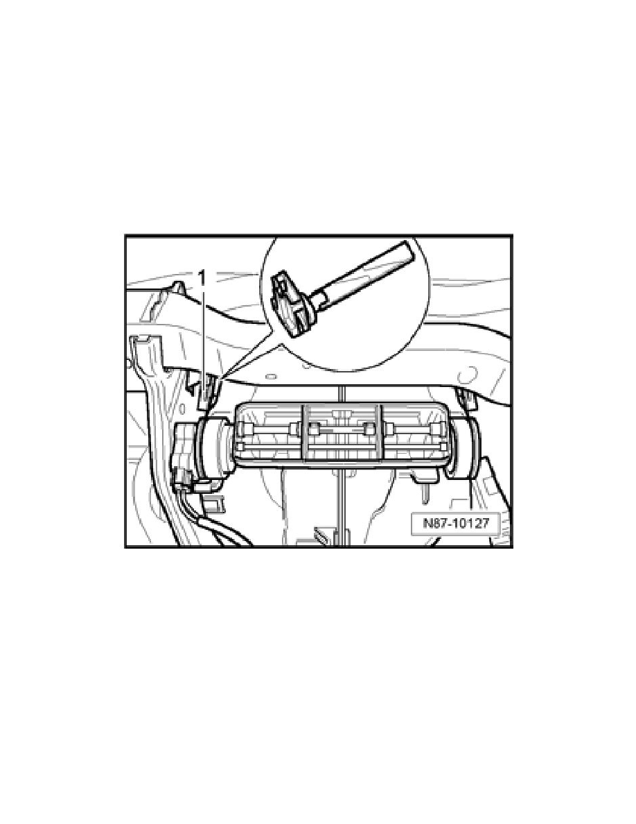
Disconnect electrical connection at sensor - 1 -.
-
Press bracket slightly toward left, rotate sensor - 1 - 90 degrees and remove from housing.
Installing
Install in reverse order of removal.
Right Footwell Vent
Right Footwell Vent
Removing
CAUTION:
-
Switch off all electrical consumers.
-
Switch ignition off and remove ignition key.
NOTE: Right Footwell Vent Temperature Sensor G262 is depicted with instrument panel removed. It is not necessary to remove instrument panel.
-
Remove glove compartment.
