Jetta L5-2.5L (CBTA) (2008)
Valve Body: Description and Operation
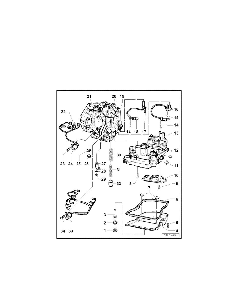
Valve Body Assembly Overview
CAUTION!
Do not run engine or tow vehicle with pan removed or when there is no ATF in transmission.
‹› The valve body and wiring harnesses can also be removed when transmission is installed.
‹› Moisten O-rings with ATF before fitting. Other lubricants lead to malfunction of transmission hydraulics.
‹› Always replace a valve body which is fouled or faulty.
‹› Do not use fluffy cloths.
‹› After pan has been installed, the ATF level must be checked and topped off --> [ ATF Level, Checking and Filling ] See: Fluid - A/T/Service and
Repair.
1
ATF inspection plug
‹› Always replace oil seal --> [ 2 Seal ].
‹› Checking ATF level and topping off --> [ ATF Level, Checking and Filling ] See: Fluid - A/T/Service and Repair
‹› Tightening specification: --> [ Tightening Specifications ] See: Specifications/Mechanical Specifications/09G Transmission (6 Speed
A/T)/Tightening Specifications.
2
Seal
‹› Always replace
