volkswagen Workshop Repair Guides

Volkswagen Workshop Service and Repair Manuals

Front Door Window|Page 8894 > < Front Door Window|Page 8892
Page 4
background image

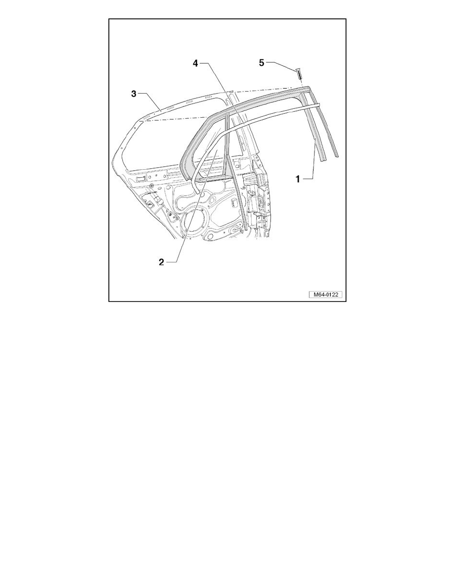
Installing

Installation is performed in the reverse order of removal.

Tightening specification for bolts - 2 - on center bar: 5.5 Nm

Front Door Window|Page 8894 > < Front Door Window|Page 8892