Jetta GLS L4-1.8L Turbo (AWD) (2001)
Sill Panel Trim: Service and Repair
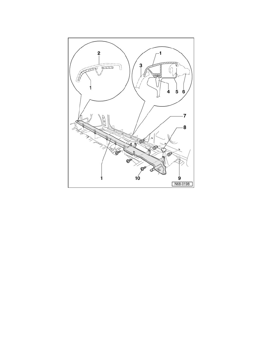
Sill Panel Trim, Assembly Overview (2-Door)
Sill Panel Trim, Assembly Overview (2-door)
1
-
Sill panel trim
2
-
Lower A-pillar trim panel
3
-
Carpet
4
-
Retaining clip
-
Qty. 5
5
-
Sill
6
-
Door seal
7
-
Expanding nut
-
Qty. 3
8
-
Button
9
-
Threaded pin
10
-
Bolt
-
Qty. 3
