Jetta GLS L4-1.8L Turbo (AWD) (2001)
Installing
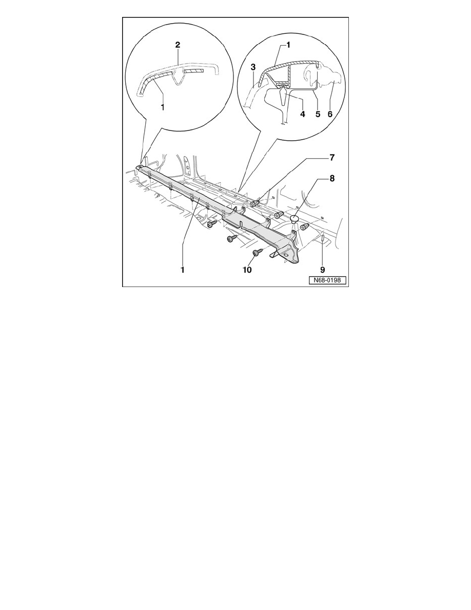
Installation is performed in reverse order of removal.
NOTE:
-
Before installation, securing clips - 4 - must be checked for damage and replaced if necessary.
-
After installation, check whether sill panel trim is located completely in door seal piping.
