Jetta SportWagen L4-2.0L DSL Turbo (CBEA) (2009)
/Page-653001.png) 
  Shifter A/T: Description and Operation
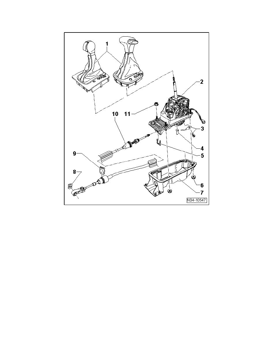
Selector Mechanism Assembly Overview
1
Shift cover with knob
‹› Do not remove knob if not necessary. For emergency release, only cover must be removed --> [ Selector Lever Emergency Release ] See: Shift
Interlock/Description and Operation.
‹› In right illustration: Before removing knob, pull button past pressure point and secure using cable tie or suitable wire. This prevents button
from being pushed into knob accidentally.
2
Selector lever and selector mechanism
‹› With Shift Lock Solenoid (N110)
‹› Manual release --> [ Selector Lever Emergency Release ] See: Shift Interlock/Description and Operation.
‹› Short description for removal and installation:
-
Remove center console.
-
Remove cable from transmission --> [ Selector Lever Cable ] See: Shift Linkage/Shift Cable/Service and Repair/Removal and Replacement.
-
If necessary: Disconnect or remove
-
Remove heat shield beneath vehicle.
-
Adjust selector lever cable after installing --> [ Selector Lever Cable, Adjusting ] See: Shift Linkage/Shift Cable/Adjustments.
