Jetta SportWagen L4-2.0L DSL Turbo (CBEA) (2009)
Window Frame: Service and Repair
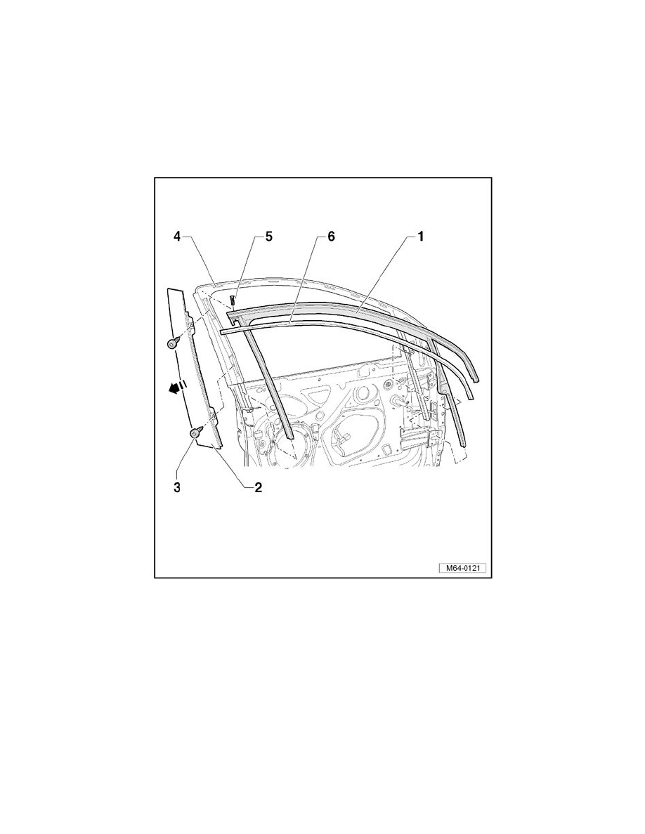
Front Door Window
Window Guide Assembly Overview
Front Door Window
Window Guide Assembly Overview
‹› For clarity, outer door panel is not depicted in the illustration.
1
Window Guide
2
Trim
3
Screw
‹› Qty. 2
‹› 2 Nm
4
Window Frame at Inner Door Part
5
Trim Molding Fastener
‹› Expanding rivet or bolt
6
Window Guide Trim Molding
