Volkswagen Workshop Service and Repair Manuals
HOME
FEATURES
MENU
INDEX
ABOUT US
Removing and installing through loading aperture (Cabriolet) >
< Installing
New Beetle
Body
General body repairs, interior
Seat frames
Rear seats
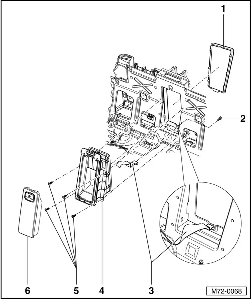
Assembly overview - through-loading aperture (Cabriolet)
Assembly overview - through-loading aperture (Cabriolet)
Assembly overview - through-loading aperture (Cabriolet)
1 -
Cover
2 -
Bolt
q
20 Nm
q
Only models with a ski bag.
3 -
Ski bag securing strap
q
Only models with a ski bag.
4 -
Through loading aperture
5 -
Bolt
q
Qty. 4
q
10 Nm
6 -
Lid
Body
General body repairs, interior
Seat frames
Rear seats
Assembly overview - through-loading aperture (Cabriolet)
Removing and installing through loading aperture (Cabriolet) >
< Installing