New Beetle L5-2.5L (BPS) (2006)
Radiator Cooling Fan Control Module: Locations
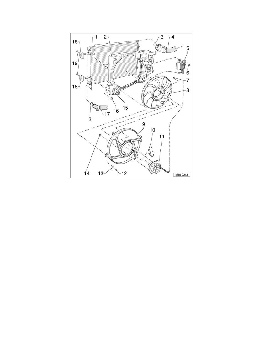
Cooling system components (on body), assembly overview
1
-
Radiator
After replacing replace entire amount of coolant
2
-
Air shroud
3
-
O-ring
Replace if damaged
4
-
Upper coolant hose
Secured to radiator with a retaining clip
5
-
Coolant Fan Control (FC) Control Module J293
6
-
5 Nm
7
-
Bolt
8
-
Fan wheel
9
-
Fan ring
10 -
Cover
11 -
Coolant fan motor
12 -
5 Nm
13 -
Washer
14 -
Bolt
15 -
Connector
16 -
5 Nm
17 -
Lower coolant hose
Secured to radiator with a retaining clip
Ensure seated tightly
Coolant hose connection diagram = Coolant hose connection diagram
