Passat Wagon L4-2.0L Turbo (BPY) (2008)
Trailer Hitch: Service and Repair
Rear Bumper Cover
Trailer Hitch Assembly Overview
‹› The tightening specifications only apply to factory-installed trailer hitches.
‹› If a different trailer hitch is installed, ask the manufacturer for the tightening specifications.
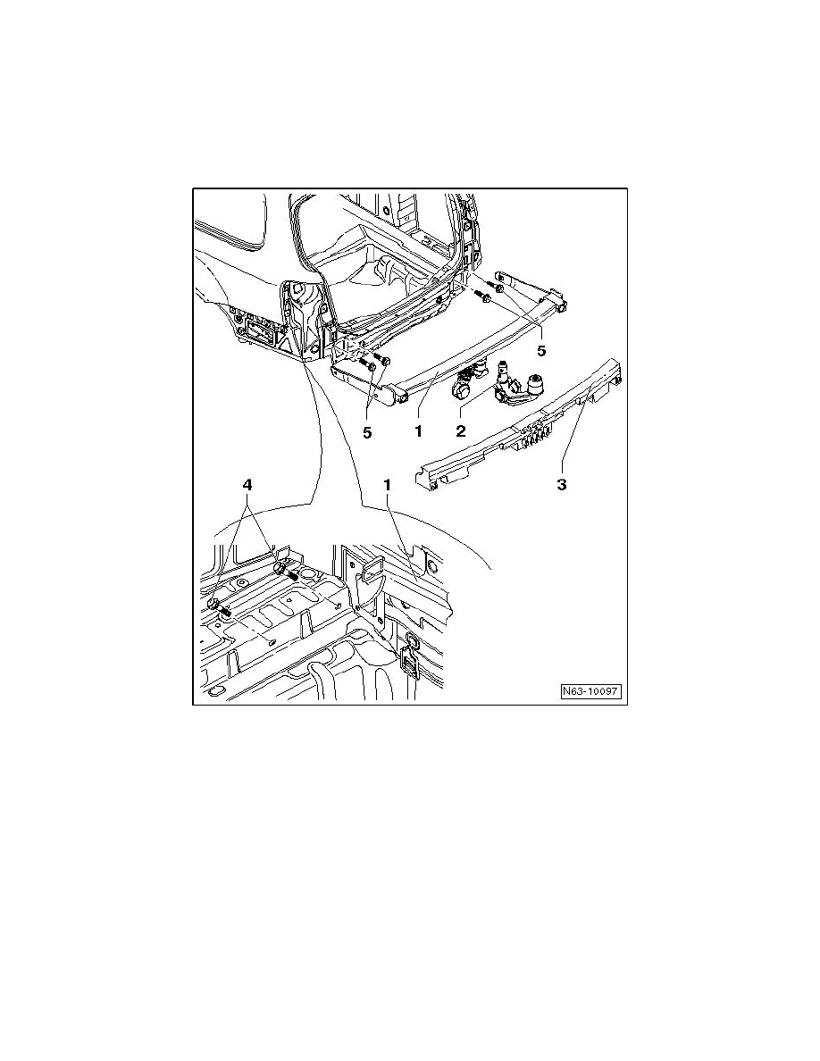
1
Trailer Hitch
‹› Trailer hitch with removable ball head - 2 - is depicted.
2
Ball Head
‹› Removable ball head is stored in foldable luggage compartment floor.
3
Foam Piece
‹› Secured to bumper carrier with double-sided adhesive tape.
4
Bolt
‹› 2 pieces per side
‹› Tightening specification: 50 Nm + 90°
CAUTION!
Bolts - 4 - must always be replaced after loosening.
