Polo Mk3
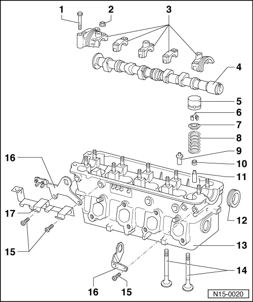
| Assembly overview - valve gear |

| 1 - | 10 Nm |
| 2 - | 6 Nm + 1/4 turn (90 °) further |
| q | Installation position and installation sequence → Chapter, removing and installing camshaft. |
| q | Lightly coat contact surfaces of bearing caps 1 and 5 with sealant -AMV 174 004 01-. |
| 3 - | Bearing cap |
| 4 - | Camshaft |
| q | Checking axial clearance → Chapter. |
| q | Removing and installing → Chapter |
| q | Check radial clearance with Plastigage, wear limit: 0.1 mm |
| q | Runout: max. 0.01 mm |
| q | Identification and valve timing → Chapter |
| 5 - | Bucket tappet |
| q | Do not interchange |
| q | With hydraulic valve clearance compensation |
| q | Checking → Chapter |
| q | Place down with contact surface facing downwards |
| q | Before installing, check camshaft axial clearance → Chapter |
| q | Oil contact surface |
| 6 - | Cotters |
| 7 - | Valve spring plate |
| 8 - | Valve spring |
| q | Removing and installing: with cylinder head removed, use valve spring compressor -2037-; with cylinder head installed → Chapter. |
| 9 - | Valve guide (for repair) |
| q | With collar. |
| 10 - | Valve stem seal |
| q | Renewing → Chapter |
| 11 - | Valve guide |
| q | Checking → Chapter |
| q | Renewing → Chapter |
| 12 - | Seal |
| q | Lightly oil sealing lip of oil seal |
| q | Renewing → Chapter |
| 13 - | Cylinder head |
| q | Rework valve seat → Chapter. |
| q | Rework sealing surface → Chapter. |
| 14 - | Valves |
| q | Do not rework, only lapping-in is permitted. |
| q | Valve dimensions → Chapter. |
| 15 - | 20 Nm |
| 16 - | Lifting eye |
| 17 - | Bracket |
| q | For ignition wiring guide |
