Polo Mk4
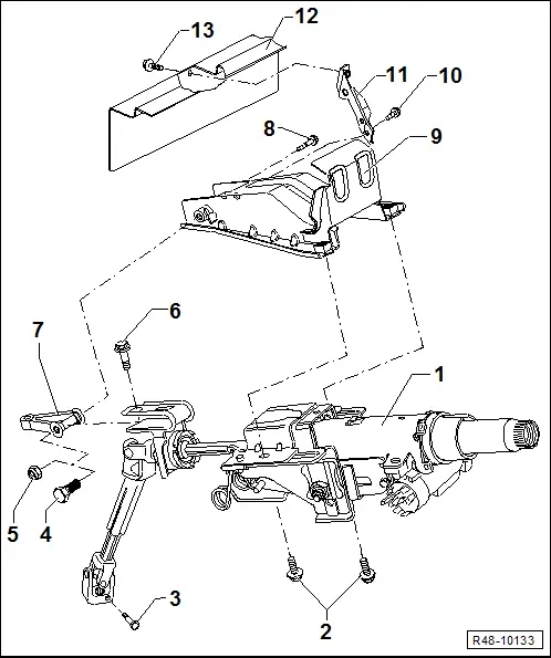
| Adjustable steering wheel support and column - assembly overview |

| 1 - | Steering column (adjustable) |
| q | Remove and install → Chapter |
| 2 - | Hex screws |
| q | 23 ± 2 Nm |
| q | Replace after each removal |
| 3 - | Screw |
| q | 20 Nm + 90° |
| q | Replace after each removal |
| 4 - | Hexagonal head screw |
| q | 20 Nm |
| q | Replace after each removal |
| 5 - | Hexagonal nut |
| q | 9.7 ± 1 Nm |
| q | Replace after each removal |
| 6 - | Screw |
| q | 7 Nm |
| q | Replace after each removal |
| 7 - | Bushing |
| q | Check the state after removing the steering column |
| 8 - | Hexagonal head screw |
| q | M8 X 85 = 20 Nm |
| q | M6 X 63 = 9.7 ± 1 Nm |
| 9 - | Support |
| 10 - | Hexagonal head screw |
| q | 23 ± 2 Nm |
| 11 - | Structure, right |
| q | Frequency arm set |
| 12 - | Support |
| 13 - | Combined screw |
| q | 25 ± 4 Nm |
