Volkswagen Workshop Service and Repair Manuals
HOME
FEATURES
MENU
INDEX
ABOUT US
Antenna cable - remove and install|Installation >
< Antenna cable - remove and install
Polo Mk4
Vehicle electrics
Communication / Infotainment
Antenna system / tenna_cable_remove_and_install/">Antenna cable - remove and install
Removal
Removal
Removal
–
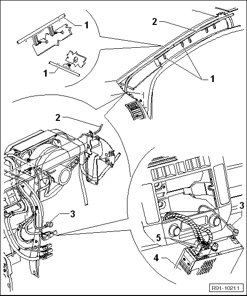
Loosen the Radio -R-4
-.-
–
Disconnect the power feed connectors
-5-
and the connector
-3-
from the Antenna cable
-2-
.
–
Remove the linings from column A
→ Body - Internal assembly work; Rep. gr.70
–
Remove the elastic clamps
-1-
all along the cable.
–
Remove the instrument panel
→ Body - Internal assembly work; Rep. gr.70
.
–
Remove the sun visors
→ Body - Internal assembly work; Rep. gr.68
–
Remove vanity mirror lights
→ Electrical system ; Rep. gr.96
.
–
Remove the safety handles on the roof
→ Body - Internal assembly work; Rep. gr.68
.
–
Remove the lining of column B
→ Body - Internal assembly work; Rep. gr.70
.
–
Remove the rear reading lights
→ Electrical equipment; Rep. gr.96
.
–
Remove the lining of column C
→ Body - Internal assembly work; Rep. gr.70
.
–
Move away the pre-molded roof lining at the rear side
→ Body - Internal assembly works; Rep. gr.70
.
–
Remove the elastic clamps
-3-
all along the cable.
–
Remove the adhesive tape
-5-
.
–
Disconnect the connector
-2-
.
–
Remove the Antenna cable.
Vehicle electrics
Communication / Infotainment
Antenna system / tenna_cable_remove_and_install/">Antenna cable - remove and install
Removal
Antenna cable - remove and install|Installation >
< Antenna cable - remove and install